Double Pulse MIG Welder PULSEMIG500F DC MMA for Aluminum 0.8 1.0 1.2 1.6mm Wire Description:
The PULSEMIG500F double pulse MIG welding machine is designed for high-quality welding of aluminum alloys and other metals. Equipped with double pulse MIG technology, it delivers better heat control, reduced spatter, and smooth, aesthetic weld seams, especially for aluminum welding applications.
This industrial MIG welder supports DC MMA welding mode and is compatible with 0.8mm, 1.0mm, 1.2mm, and 1.6mm solid wire and flux cored wire, offering flexibility for different welding tasks. The machine ensures stable arc performance and precise parameter control, making it ideal for aluminum fabrication, automotive manufacturing, and high-end metal processing.
Double Pulse MIG Welder PULSEMIG500F Specification:
| Model | PULSEMIG350F | PULSEMIG500F |
| Power Supply Voltage | 3*400V | 3*400V |
| Rate Input Capacity (KVA) | 18 | 27 |
| Rate Input Current (A) | 26 | 39 |
| No Load Voltage | 70 | 79 |
| Output Current Range | MIG:20-350A | MIG:20-500A |
| MMA:10-350A | MMA:10-400A | |
| Duty Cycle | 60% | 60% |
| Weight | 48kg | 52kg |
| LWH(mm) | 670*270*560 | 670*270*560 |
Standard Accessories
MIG torch 3m
Earth clamp cable 2m with 500A earth clamp
Welding cable with a 500A electrode holder
Gas hose 2m
Optional Accessories
Gas regulator
Water cooler

Double Pulse MIG Welder PULSEMIG500F Welding Machine Feature:
Digital Control DC MMA, Pulse TIG and Double-Pulse Mig, Turbo pulse/double pulse, turbo spray, Vertical up, Root Pass, Sheet Metal Mig.
IGBT inverter
Synergice mig /pulse mig
Overcurrent and overheat protection
2T/4T function
Two knobs adjusting
4Rollers wire feeder
More materials and gas selection
Double Pulse MIG Welding Machine PULSEMIG500F
Function: Pulse TIG, Double-Pulse MIG, DC MMA
Suitable Material: Aluminum alloy, Low-carbon steel, Stainless Steel
Suitable position: all positions
Suitable wire: Φ0.8,1.0,1.2,1.6solid wire/flux cord wire.
Lower Spatter, Lower Noise, Less Smoke

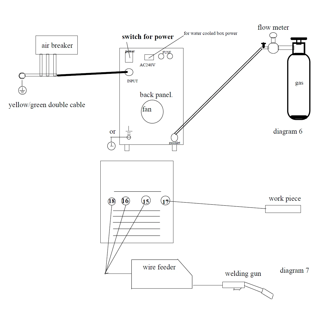
Explanation of installation
The power source is 1~240V or 3~480VAC/(50~60Hz). The yellow/green double cable is a grounding cable. Be sure to connect the yellow/green double cable to the grounding connection in the
welding locale. Another way is selecting the M8 bolt on the back on the machine and connecting the grounding as shown in the diagram below.
★Install the welding gun on the front panel and screw the welding gun, then lock the bolt.
★ Connect the gas pipe with the gas bottle according to the local conditions. Check the airproof conditions to ensure good airproof.
About ALAND WELDING:
Founded in 2012, BEIJING ALAND WELDING is a professional manufacturer and global supplier of advanced welding equipment and solutions.
We integrate R&D, manufacturing, and international export, delivering high-performance welding machines designed to make welding more efficient, precise, and reliable.
With a strong focus on technology and product quality, ALAND provides professional welding solutions for industrial users around the world.
Product Portfolio
Our comprehensive product range includes:
Pulse MIG/MAG Welding Machines
AC/DC TIG Welders
MMA (Stick) Welders
Multi-Function Welding Machines
Plasma Cutting Machines
Submerged Arc Welding Equipment
Laser Welding / Cutting / Cleaning Machines
Complete Welding Accessories and Consumables

If you are interested in our products or plan to import the Double Pulse MIG Welder PULSEMIG500F MIG Welder machine and other construction products, please feel free to contact us. Looking forward to long-term cooperation with you.